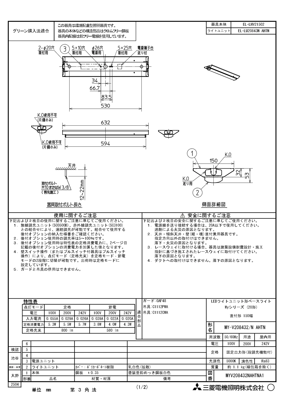
MY-V208432/N AHTN 逆富士形(V形)照明器具 150幅 全長632 FL20x1相当 昼白色
¥4,452
税込
加算ポイント:40
メーカー:三菱電機(MITSUBISHI)
型番: MY-V208432-NAHTN
関連カテゴリ
商品詳細
※現在最短入荷6月以降となっております。定格
固定出力・段調光機能付
明るさ
FL20形x1灯器具 相当
光色
昼白色 (5000K)
定格電圧 (V)
AC100~242V
器具光束 (lm)
800
定格消費電力 (W)
5.5 (200V時)
固有エネルギー消費効率 (lm/w)
145.4 (200V時)
光束維持時間 (時間)
40000時間 (光束維持率83%)
平均演色評価数 (Ra)
Ra83







