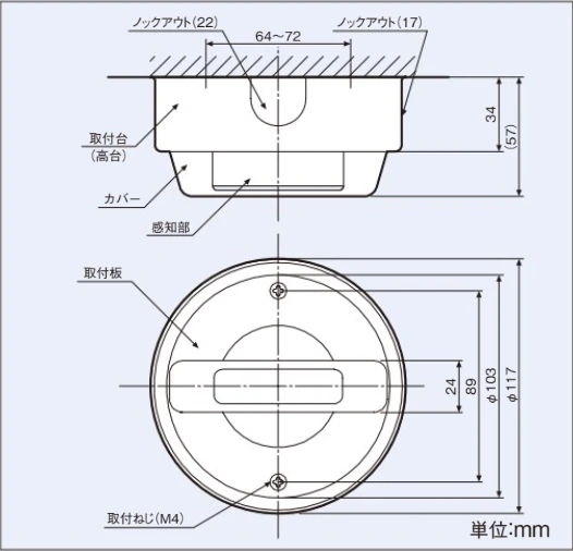
27021-5-1-100 定温式スポット型感知器(露出型)作動温度100℃ 高温用
¥9,295
税込
加算ポイント:85
メーカー:ホーチキ(HOCHIKI)
型番: 27021-5-1-100






